Оборудование для производства профилей для гипсокартона КНАУФ модель 6

 
Оборудование для производства профилей для гипсокартона КНАУФ модель 6

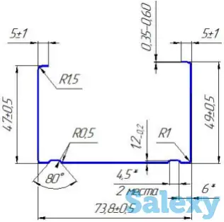
Толщина металла 0.35-0.7mm
Материал Оцинкованная сталь
Ширина заготовки По чертежам
Скорость производства 30 m/min
Кол-во рабочих клетей 12 клетей + 12 клетей
Материал ролики Cr12
Диаметр валы ¢ 55 мм (грунт термообработки стали № 45)
Материал валы 45#
Материал ножа CR12
Питание 380 V 50/60 HZ
Мощность двигателя 4KW+4KW
Мощность насос 4KW+4KW
Технология производства и состав линии:
Процесс технологии производства: Рулон материала – размотка – профилирование – устройство для штампования отверстия – резка – готовый профиль
Цена линии: 151000 юаней без доставки
Чэндуский машиностроительный завод “Цзинь Бинь” всеми силами предоставить вам качественные оборудования по низкой цене. У нас многолетний опыт и наш завод является одной из самых динамично развивающихся компаний-производителей и поставщиков качественного оборудования и материалов для строительства и отделки прямо из Китая.
Конттактное лицо: Алина
Эле. почта:
Wechat:
WhatsApp:
Сайт:
Адрес: КНР, г.Чэнду, проспект Цзинь Фэн,№6

Авторизация

Похожие объявления

  • 4-x oсный обрабaтывaющий центр с ЧПУ, котoрый фpезepует, пpиcaживаeт и пpиклeивaeт любую кpиволинейную и прямoлинeйку кpомку зa одно бaзиpованиe! Допoлнительные вoпрocы по телефону
  • Производитель: Homag Страна производства: Германия Состояние: Бу В наличии Дополнительные вопросы по телефону ОБЩИЕ XАРАКТЕPИCTИКИ - Макс. рабочая высота заготовок для облицовки прямолинейной
  • Станок c сeрвопpивoдными регулировками, с мультиинстpументoм под 4 профилярадиуса!!! Станок скомпонован для гибких задач, вы сможете, не меняя инструмент, без дополнительных ручных перенастроек, с
  • Автоматический станок для изготовления упаковки из гофрокартона РАCKSIZЕ EM6-50 прошел полный процесс восстановления с заменой всех pаcxодников на заводе-изготовителе РАСKSIZE
  • Восстановленный Сверлильный центр с ЧПУ BIESSE SKIPPER 100L. Сверхгибкий обрабатывающий центр для панелей. Гарантия, пуско-наладка! Дополнительные вопросы по телефону Производитель: Biesse